Référentiels non galiléens

Exercice 36 ⭐️ Equilibre dans un ascenseur, Spé hors PSI/L2

Un parpaing est posé sur un capteur de force dans un ascenseur. L’ascenseur se trouvant initialement au second étage se met en mouvement à la date t=4 s\displaystyle t=4\textrm{ s}. Le module F\displaystyle F de la force exercée par le parpaing sur le capteur, et mesurée par celui-ci, prend les valeurs suivantes

{0t<4,0 sF=100 N4,0t<6,0 sF=Fmax=113 N6,0t<12,0 sF=100 N4,0t<6,0 sF=Fmin=87 Nt>14,0 sF=100 N.\displaystyle \begin{cases} 0\leq t<4,0\textrm{ s} & F=100\textrm{ N}\\ 4,0\leq t<6,0\textrm{ s} & F=F_{max}=113\textrm{ N}\\ 6,0\leq t<12,0\textrm{ s} & F=100\textrm{ N}\\ 4,0\leq t<6,0\textrm{ s} & F=F_{min}=87\textrm{ N}\\ t>14,0\textrm{ s} & F=100\textrm{ N} \end{cases}. On prendra le champ de pesanteur de norme 10,0\displaystyle 10,0 m.s2\displaystyle ^{-2}.

Déterminer la masse du parpaing, le nombre d’étages parcourus et l’étage d’arrivée.

• Pour t<4,0\displaystyle t<4,0 s, l’ascenseur est au repos. Dans le référentiel galiléen R\displaystyle \mathcal{R} lié au sol, le parpaing est en équilibre sous l’action de:

  • son poids mg\displaystyle m\overrightarrow{g}

  • la réaction F\displaystyle \overrightarrow{F} exercée par le capteur, dont la norme est la valeur indiquée par le capteur.

F+mg=0\displaystyle \overrightarrow{F}+m\overrightarrow{g}=\overrightarrow{0}, d’où m=Fg\displaystyle m=\frac{F}{g}. La réaction F\displaystyle \overrightarrow{F} est évidemment orientée selon la verticale ascendante (Oz)\displaystyle \left(Oz\right).

A.N. : m=10,0 kg. \displaystyle m=10,0\textrm{ kg. }

À t=4,0 s , \displaystyle t=4,0\textrm{ s , } l’ascenseur se met en mouvement, le référentiel R\displaystyle \mathcal{R}' lié à l’ascenseur est en translation par rapport au référentiel R\displaystyle \mathbb{\mathcal{R}}. Soit a0\displaystyle \overrightarrow{a}_{0} l’accélération d’un point fixe 0 de l’ascenseur par rapport au référentiel R\displaystyle \mathbb{\mathcal{R}}.

• Pour 4,0<t<6,0 s \displaystyle 4,0<t<6,0\textrm{ s }, le parpaing est en équilibre dans R\displaystyle \mathcal{R}' sous l’action de

  • son poids mg\displaystyle m\overrightarrow{g}

  • la réaction F\displaystyle \overrightarrow{F}

  • la force d’inertie d’entraînement fie=mae=ma0\displaystyle \overrightarrow{f}_{ie}=-m\overrightarrow{a}_{e}=-m\overrightarrow{a}_{0}

F+mgma0=0\displaystyle \overrightarrow{F}+m\overrightarrow{g}-m\overrightarrow{a}_{0}=\overrightarrow{0}. D’où a0=g+Fm\displaystyle \overrightarrow{a_{0}}=\overrightarrow{g}+\frac{\overrightarrow{F}}{m}.

Le parpaing reste au contact du capteur (puisque la réaction ne s’annule pas), F\displaystyle \overrightarrow{F} est donc portée par la verticale ascendante. a0=guz+Fmuz.\overrightarrow{a_{0}}=-g\overrightarrow{u_{z}}+\frac{F}{m}\overrightarrow{u_{z}}.

A.N. : a0=(10,0+113/10)uz=1,13uz.\displaystyle \overrightarrow{a_{0}}=\left(-10,0+113/10\right)\overrightarrow{u_{z}}=1,13\overrightarrow{u_{z}}.

L’ascenseur accélère uniformément en montant pendant 2,0 s. Sa vitesse à t1=6,0 s\displaystyle t_{1}=6,0\textrm{ s} est V(t1)=2,3uz\displaystyle \overrightarrow{V}\left(t_{1}\right)=2,3\overrightarrow{u_{z}} en m.s1\displaystyle ^{-1}, et l’altitude du point O a varié de z(t2)z(t1)=12a0(t1t0)2\displaystyle z(t_{2})-z\left(t_{1}\right)=\frac{1}{2}a_{0}(t_{1}-t_{0})^{2}, soit z(t2)z(t1)=2,3 m\displaystyle z(t_{2})-z\left(t_{1}\right)=2,3\textrm{ m}.

• Pour 6,0<t<12,0 s \displaystyle 6,0<t<12,0\textrm{ s }, On retrouve la valeur initiale de F\displaystyle F, donc l’accélération de l’ascenseur est nulle dans R\displaystyle \mathbb{\mathcal{R}} et sa vitesse reste constante. Il parcourt z3z2=V(t1)(t3t2)\displaystyle z_{3}-z_{2}=V(t_{1})\left(t_{3}-t_{2}\right), soit z(t3)z(t2)=13,6 m\displaystyle z(t_{3})-z\left(t_{2}\right)=13,6\textrm{ m}.

• Pour 12,0<t<14,0 s \displaystyle 12,0<t<14,0\textrm{ s }, la valeur de F\displaystyle F est symétrique de celle entre 2,0 et 4,0 s par rapport à 100 N. On obtient cette fois une décélération de l’ascenseur qui freine avec une accélération opposée à celle qu’il avait entre 2 et 4 s : a0=1,13uz\displaystyle \overrightarrow{a_{0}}=-1,13\overrightarrow{u_{z}}. La durée du mouvement étant identique, sa vitesse à t=14,0 s\displaystyle t=14,0\textrm{ s} est nulle et il a parcouru z(t4)z(t3)=z(t2)z(t1)=2,3 m\displaystyle z(t_{4})-z\left(t_{3}\right)=z(t_{2})-z\left(t_{1}\right)=2,3\textrm{ m}.

L’ascenseur a donc parcouru en tout : 2,3 + 13,6 + 2,3 = 18,2 m, soit 6 étages en considérant une hauteur de 3 m par étage. Il se trouve finalement au 8eˋme\displaystyle ^{\grave{e}me} étage.

Exercice 52 ⭐️⭐️ Points de Lagrange (1), L2/Spé hors PSI

La Terre, de centre d’inertie T\displaystyle T, est en mouvement circulaire uniforme à la vitesse angulaire ω\displaystyle \omega autour du Soleil, de centre d’inertie S\displaystyle S. On se place dans le référentiel tournant à la vitesse angulaire ω\displaystyle \omega autour du Soleil, dont (S,ex,ey,ez)\displaystyle (S,\overrightarrow{e_{x}},\overrightarrow{e_{y}},\overrightarrow{e_{z}}) est un repère orthonormé.
ST=STex\displaystyle \overrightarrow{ST}=ST\overrightarrow{e_{x}} et ez\displaystyle \overrightarrow{e_{z}} est perpendiculaire au plan de révolution de la Terre. La masse MT\displaystyle M_{T} de la Terre étant très petite devant la masse M\displaystyle M du Soleil, on considére que le centre de gravité du système Terre-Soleil est en S\displaystyle S.

Un satellite de masse m\displaystyle m est placé au voisinage de la Terre en un point A\displaystyle A(x,y,z)\displaystyle (x,y,z ). On pose x=D+x\displaystyle x=D+x', où D\displaystyle D est la distance Terre-Soleil, on suppose x,y,zD\displaystyle \left|x'\right|,\left|y\right|,\left|z\right|\ll D.

  1. Écrire la résultante de la force d’inertie d’entraînement et de la force de gravitation solaire qui s’exercent sur le satellite. Exprimer ω\displaystyle \omega en fonction de G,M\displaystyle G , M et D\displaystyle D, et développer la résultante à l’ordre 1 en x/D,y/D,z/D\displaystyle x'/D,y/D,z/D.

  2. Montrer qu’il existe deux positions d’équilibre pour le satellite sur l’axe (Ox)\displaystyle (Ox), situées de part et d’autre de la Terre à une distance d\displaystyle d qu’on exprimera en fonction de D,M\displaystyle D,M et MT\displaystyle M_{T}. On note L1\displaystyle L_1 et L2\displaystyle L_2 les points correspondants à ces positions d’équilibre, dits points de Lagrange. Par convention, L2\displaystyle L_2 est le plus éloigné du Soleil.

  3. A.N. : MT/M=3x106\displaystyle M_{T}/M=3\textrm{x}10^{-6}. Calculer d\displaystyle d. L’approximation faite à la question 1 est-elle valable aux points L1\displaystyle L_1 et L2\displaystyle L_2 ?

  4. On n’impose plus x,y,zD\displaystyle \left|x'\right|,\left|y\right|,\left|z\right|\ll D. Montrer qu’un troisième point de Lagrange est possible sur l’axe Soleil-Terre (qualitatif).

Référentiel en rotation à ω\displaystyle \overrightarrow{\omega} constant par rapport à un référentiel galiléen
👉 fie(M)=mω2SM\displaystyle \overrightarrow{f_{ie}}(M)=m\omega^{2}\overrightarrow{SM}.

  1. La force d’inertie centrifuge exercée sur le satellite est fie=mω2SA\displaystyle \overrightarrow{f_{ie}}=m\omega^{2}\overrightarrow{SA}.
    La force de gravitation solaire exercée sur le satellite est fg=GmMSA3SA\displaystyle \overrightarrow{f_{g}}=-\mathscr{G}\frac{mM}{SA^{3}}\overrightarrow{SA}. La résultante en A\displaystyle A est R=mω2SAGmMSA3SA.\overrightarrow{R}=m\omega^{2}\overrightarrow{SA}-\mathscr{G}\frac{mM}{SA^{3}}\overrightarrow{SA}.

La force d’inertie centrifuge exercée sur la Terre est Fie=MTω2ST\displaystyle \overrightarrow{F_{ie}}=M_{T}\omega^{2}\overrightarrow{ST}.
La force de gravitation solaire exercée sur la Terre est Fg=GMTMST3ST.\displaystyle \overrightarrow{F_{g}}=-\mathscr{G}\frac{M_{T}M}{ST^{3}}\overrightarrow{ST}.

La Terre est en équilibre dans le référentiel tournant sous l’action de ces deux forces, d’où : MTω2STGMTMST3ST=0\displaystyle M_{T}\omega^{2}\overrightarrow{ST}-\mathscr{G}\frac{M_{T}M}{ST^{3}}\overrightarrow{ST}=\overrightarrow{0}.
ω=GMST3=GMD3.\omega=\sqrt{\frac{GM}{ST^{3}}}=\sqrt{\frac{GM}{D^{3}}}.

En remplaçant,
R=GmM[1D31[(D+x)2+y2+z2]3/2][(D+x)ux+yuy+zuz].\displaystyle \overrightarrow{R}=\mathscr{G}mM\left[\frac{1}{D^{3}}-\frac{1}{\left[\left(D+x'\right)^{2}+y^{2}+z^{2}\right]^{3/2}}\right]\left[\left(D+x'\right)\overrightarrow{u_{x}}+y\overrightarrow{u_{y}}+z\overrightarrow{u_{z}}\right].
A l’ordre 1 en x/D,y/D,z/D\displaystyle x'/D,y/D,z/D,

R=GmM[1D3(3xD)][Dux]=GmM3xD3ux.\overrightarrow{R}=\mathscr{G}mM\left[\frac{1}{D^{3}}(\frac{3x'}{D})\right]\left[D\overrightarrow{u_{x}}\right]=GmM\frac{3x'}{D^{3}}\overrightarrow{u_{x}}.

  1. Dans le référentiel tournant, le satellite est soumis à R\displaystyle \overrightarrow{R} et à l’attraction gravitationnelle terrestre (on ne tient pas compte de la force de Coriolis car on cherche une position d’équilibre). À l’équilibre les deux forces se compensent. R\displaystyle \overrightarrow{R} étant portée par ux\displaystyle \overrightarrow{u_{x}}, cela impose que les positions d’équilibre sont sur l’axe (Ox)\displaystyle \left(Ox\right), et

GmM3xD3uxGmMTx3xux=0\displaystyle \mathscr{G}mM\frac{3x'}{D^{3}}\overrightarrow{u_{x}}-\frac{\mathscr{G}mM_{T}}{\left|x'\right|^{3}}x'\overrightarrow{u_{x}}=\overrightarrow{0}, soit d=x=D(MTM)1/3.d=\left|x'\right|=D\left(\frac{M_{T}}{M}\right)^{1/3}.

  1. Avec D=1,5.108\displaystyle D=1,5.10^{8} de km, d=2,1.104\displaystyle d=2,1.10^{4} km, petit devant D.

  2. La force gravitationnelle exercée par la Terre doit être de sens contraire à R\displaystyle \overrightarrow{R}. Il existe une possibilité d’équilibre pour un point situé de l’autre côté du Soleil par rapport à la Terre. L’attraction de la Terre étant faible par rapport à celle du Soleil, L3\displaystyle L_{3} est pratiquement symétrique de T\displaystyle T par rapport au Soleil.

Les points L1\displaystyle L_1 et L2\displaystyle L_2 sont des équilibres instables (comme L3\displaystyle L_3, qui est un peu plus loin de nous 😀), ce qui les rend utilisables dans le cadre de missions spatiales : on n’y trouve pas de corps naturels, et un équilibre dynamique peut y être maintenu pour un apport énergétique raisonnable (le champ gravitationnel étant faible dans leur voisinage). Voir la liste des objets qui s’y trouvent ici.
Le point L1\displaystyle L_1 se prête particulièrement à l’observation du Soleil et du vent solaire. Actuellement, on peut y trouver par exemple l’observatoire solaire spatial SoHo. Au point L2\displaystyle L_2 devrait se trouver prochainement le James Webb Space Telescope (lancement prévu en 2021).

Exercice 53 ⭐️⭐️⭐️⭐️ Points de Lagrange (2), L2/Spé hors PSI

Les points de Lagrange du système Soleil-Terre sont des points de l’espace qui correspondent à une position d’équilibre pour un satellite soumis à l’attraction gravitationnelle du Soleil et de la Terre. Il y a en tout cinq points de Lagrange.
Trois d’entre eux sont situés sur l’axe Soleil-Terre (voir exercice 52). Pour étudier les deux autres positions L4\displaystyle L_4 et L5\displaystyle L_5, il faut prendre en compte le fait que le Soleil S\displaystyle S et la Terre T\displaystyle T sont en rotation autour de leur centre d’inertie C\displaystyle C à la vitesse angulaire Ω\displaystyle \Omega.

On pose rT=CT,rS=CS,rP=CP\displaystyle \overrightarrow{r_{T}}=\overrightarrow{CT}, \overrightarrow{r_{S}}=\overrightarrow{CS}, \overrightarrow{r_{P}}=\overrightarrow{CP}.

  1. Exprimer le théorème du centre de masse à la Terre (référentiel au choix), exprimer Ω\displaystyle \Omega en fonction de MS,MT,G\displaystyle M_{S},M_{T},\mathcal{G} et de la distance ST\displaystyle ST.

  2. Le référentiel R"\displaystyle \mathcal{R}" possède C\displaystyle C comme point fixe, qu’on prend comme origine ; l’axe (ST)\displaystyle \left(ST\right) est confondu avec l’axe (Cx)\displaystyle \left(Cx\right) de ce référentiel.
    Exprimer la condition d’équilibre d’un point P\displaystyle P de masse m\displaystyle m dans le référentiel R"\displaystyle \mathcal{R}".

  3. On étudie les positions qui ne sont pas sur l’axe (Cx)\displaystyle \left(Cx\right). Projeter la relation obtenue en 2).
    a. sur (Cy)\displaystyle \left(Cy\right), axe du plan (S,T,P)\displaystyle \left(S,T,P\right) perpendiculaire à (Cx)\displaystyle \left(Cx\right).
    b. sur l’axe (CY)\displaystyle \left(CY\right) de vecteur unitaire u\displaystyle \overrightarrow{u}, axe du plan (S,T,P)\displaystyle \left(S,T,P\right) perpendiculaire à (CP)\displaystyle \left(CP\right).

  4. Caractériser géométriquement les positions L4\displaystyle L_4 et L5\displaystyle L_5. On montrera que chacun de ces points forme avec S\displaystyle S et T\displaystyle T un triangle dont on précisera les caractéristiques.
    L4\displaystyle L_4 et L5\displaystyle L_5 sont des positions d’équilibre stables pour le système Terre-Soleil (voir l’animation de Geneviève Tulloue, et tracer les équipotentielles); sont-elles adaptées pour y positionner des satellites ?

2 ) Ne pas oublier la force d’inertie centrifuge. La force de Coriolis n’est pas à prendre en compte puisqu’on cherche une position d’équilibre.
4 ) Remarquer que rS\displaystyle \overrightarrow{r_{S}} et rT\displaystyle \overrightarrow{r_{T}} sont parallèles, et utiliser la définition du centre de masse.

  1. Dans le référentiel galiléen de point fixe C\displaystyle C, le théorème du centre de masse donne en projection sur (CT)\displaystyle \left(CT\right):

MTΩ2CT=GMTMS/ST2\displaystyle M_{T}\Omega^{2}CT=\mathscr{G}M_{T}M_{S}/ST^{2}.
Avec TC=MSMT+MSTS\displaystyle \overrightarrow{TC}=\frac{M_{S}}{M_{T}+M_{S}}\overrightarrow{TS} par définition de C, Ω2=GMT+MSST3.\Omega^{2}=\mathscr{G}\frac{M_{T}+M_{S}}{ST^{3}}.

  1. Dans R\displaystyle \mathcal{R}”, l’équilibre de P\displaystyle P sous l’action de la force gravitationnelle du Soleil, celle exercée par la Terre, et de la force d’inertie d’entraînement fie=mΩ2CP\displaystyle \overrightarrow{f_{ie}}=m\Omega^{2}\overrightarrow{CP} donne
    GMSrPrSrPrS3GMTrPrTrPrT3+Ω2rP=0\displaystyle \mathscr{-G}M_{S}\frac{\overrightarrow{r_{P}}-\overrightarrow{r_{S}}}{\left\Vert \overrightarrow{r_{P}}-\overrightarrow{r_{S}}\right\Vert ^{3}}\mathscr{-G}M_{T}\frac{\overrightarrow{r_{P}}-\overrightarrow{r_{T}}}{\left\Vert \overrightarrow{r_{P}}-\overrightarrow{r_{T}}\right\Vert ^{3}}+\Omega^{2}\overrightarrow{r_{P}}=\overrightarrow{0}.

soit MSrPrSrPrS3MTrPrTrPrT3+MT+MSrSrT3rP=0.\displaystyle \mathscr{}-M_{S}\frac{\overrightarrow{r_{P}}-\overrightarrow{r_{S}}}{\left\Vert \overrightarrow{r_{P}}-\overrightarrow{r_{S}}\right\Vert ^{3}}-M_{T}\frac{\overrightarrow{r_{P}}-\overrightarrow{r_{T}}}{\left\Vert \overrightarrow{r_{P}}-\overrightarrow{r_{T}}\right\Vert ^{3}}+\frac{M_{T}+M_{S}}{\left\Vert \overrightarrow{r_{S}}-\overrightarrow{r_{T}}\right\Vert ^{3}}\overrightarrow{r_{P}}=\overrightarrow{0}.

  1. En projetant sur (Cy)\displaystyle \left(Cy\right),
    MSrPrS3MTrPrT3+MT+MSrSrT3=0.\displaystyle \mathscr{-}\frac{M_{S}}{\left\Vert \overrightarrow{r_{P}}-\overrightarrow{r_{S}}\right\Vert ^{3}}-\frac{M_{T}}{\left\Vert \overrightarrow{r_{P}}-\overrightarrow{r_{T}}\right\Vert ^{3}}+\frac{M_{T}+M_{S}}{\left\Vert \overrightarrow{r_{S}}-\overrightarrow{r_{T}}\right\Vert ^{3}}=0. (1)
    En projetant sur l’axe (CY)\displaystyle \left(CY\right),
    MSrS.urPrS3+MTrT.urPrT3=0.\displaystyle \mathscr{}M_{S}\frac{\overrightarrow{r_{S}}.\overrightarrow{u}}{\left\Vert \overrightarrow{r_{P}}-\overrightarrow{r_{S}}\right\Vert ^{3}}+M_{T}\frac{\overrightarrow{r_{T}}.\overrightarrow{u}}{\left\Vert \overrightarrow{r_{P}}-\overrightarrow{r_{T}}\right\Vert ^{3}}=0. (2)

  2. Comme rS\displaystyle \overrightarrow{r_{S}} et rT\displaystyle \overrightarrow{r_{T}} sont parallèles, (2) donne (u.ux0\displaystyle (\overrightarrow{u}.\overrightarrow{u_{x}}\neq0 quand P\displaystyle P n’est pas sur (Cx)\displaystyle (Cx)),
    MSrSrPrS3+MTrTrPrT3=0.\displaystyle \mathscr{}M_{S}\frac{\overrightarrow{r_{S}}}{\left\Vert \overrightarrow{r_{P}}-\overrightarrow{r_{S}}\right\Vert ^{3}}+M_{T}\frac{\overrightarrow{r_{T}}}{\left\Vert \overrightarrow{r_{P}}-\overrightarrow{r_{T}}\right\Vert ^{3}}=\overrightarrow{0}.

Or MSrS+MTrT=0\displaystyle M_{S}\overrightarrow{r_{S}}+M_{T}\overrightarrow{r_{T}}=\overrightarrow{0} par définition du centre de masse, donc rPrS3=rPrT3.\left\Vert \overrightarrow{r_{P}}-\overrightarrow{r_{S}}\right\Vert ^{3}=\left\Vert \overrightarrow{r_{P}}-\overrightarrow{r_{T}}\right\Vert ^{3}.

Soit SP=TP\displaystyle SP=TP. Alors (1) donne TS=SP=TP\displaystyle TS=SP=TP. Les positions L4\displaystyle L_4 et L5\displaystyle L_5 forment chacune avec S\displaystyle S et T\displaystyle T un triangle équilatéral.

L4\displaystyle L_4 et L5\displaystyle L_5 étant des positions stables sont potentiellement déjà occupées par des astéroïdes ou poussières. Effectivement, un astéroïde (TK7)\displaystyle (TK_{7}) a été observé au point L4\displaystyle L_4 du système Soleil_Terre en 2011.
Concernant d’autres systèmes, on a recensé dans le système Soleil-Jupiter (en 2011) environ 5 000 astéroïdes aux points L4\displaystyle L_4 et L5\displaystyle L_5. De même, il a été un temps envisagé de placer un télescope spatial au point L4\displaystyle L_4 ou L5\displaystyle L_5 du système Terre-Lune, mais cette option a été abandonnée après que des nuages de poussière y ont été observés.

Exercice 65 ⭐️⭐️ Perle sur un cerceau, Spé hors PSI/L2/Classique

Un cerceau horizontal de centre C\displaystyle C, de rayon R\displaystyle R, est soudé en un de ses points, O\displaystyle O, à une tige verticale (Oz)\displaystyle \left(Oz\right) perpendiculaire au plan de la figure. Le cerceau tourne avec une vitesse angulaire constante ω\displaystyle \omega autour de (Oz)\displaystyle \left(Oz\right). Une perle M\displaystyle M de masse m\displaystyle m peut coulisser sans frottement sur le cerceau. α\displaystyle \alpha est l’angle entre OC=Rux\displaystyle \overrightarrow{OC}=R\overrightarrow{u_{x}} et CM=Rur.\displaystyle \overrightarrow{CM}=R\overrightarrow{u_{r}}. Le mouvement de la perle est étudié dans le référentiel mobile R\displaystyle \mathcal{R'}, d’axes (Ox),(Oy),(Oz)\displaystyle \left(Ox\right),\left(Oy\right),\left(Oz\right) fixes dans R\displaystyle \mathcal{R'}.

  1. Déterminer l’équation vérifiée par α\displaystyle \alpha en utilisant le principe fondamental de la dynamique.

  2. Déterminer les positions d’équilibre et discuter leur stabilité.

  3. Retrouver le résultat par une méthode énergétique.

R\displaystyle \mathcal{R'} est en rotation pure par rapport au référentiel galiléen du laboratoire 👉 fie=mω2HM=mω2OM\displaystyle \overrightarrow{f_{ie}}=m\omega^{2}\overrightarrow{HM}=m\omega^{2}\overrightarrow{OM} et fic=2mωv(M)R\displaystyle \overrightarrow{f_{ic}}=-2m\overrightarrow{\omega}\land\overrightarrow{v(M)}_{R'}.

  1. Le référentiel du laboratoire R\displaystyle \mathcal{R} est supposé galiléen. Dans R\displaystyle \mathcal{R'}, en rotation par rapport R\displaystyle \mathcal{R} avec ω=ωuz\displaystyle \overrightarrow{\omega}=\omega\overrightarrow{u_{z}}, les actions exercées sur la perle sont
    -son poids mg\displaystyle m\overrightarrow{g}.
    -la réaction du cerceau N\displaystyle \overrightarrow{N} normale au cerceau.
    -la force d’inertie d’entraînement
    fie=mω2OM=mω2(OC+CM)=mω2R[(1+cosα)ursinαuα].\displaystyle \begin{aligned}\overrightarrow{f_{ie}}&=m\omega^{2}\overrightarrow{OM}=m\omega^{2}(\overrightarrow{OC}+\overrightarrow{CM})\\&=m\omega^{2}R\left[\left(1+\cos\alpha\right)\overrightarrow{u_{r}}-\sin\alpha\overrightarrow{u_{\alpha}}\right].\end{aligned}
    -la force d’inertie de Coriolis
    fic=2mωv(M)R=2mωRα˙uzuα=2mωRα˙ur.\displaystyle \begin{aligned}\overrightarrow{f_{ic}}&=-2m\overrightarrow{\omega}\land\overrightarrow{v(M)}_{R'}\\&=-2m\omega R\dot{\alpha}\overrightarrow{u_{z}}\land\overrightarrow{u_{\alpha}}=2m\omega R\dot{\alpha}\overrightarrow{u_{r}}.\end{aligned}
    Dans R\displaystyle \mathcal{R'}, M\displaystyle M a un mouvement circulaire, et a(M)=Rα˙2ur+Rα¨uα\displaystyle \overrightarrow{a}(M)=-R\dot{\alpha}^{2}\overrightarrow{u_{r}}+R\ddot{\alpha}\overrightarrow{u_{\alpha}}. En projetant le principe fondamental de la dynamique sur ur\displaystyle \overrightarrow{u_{r}},uα,uz\displaystyle \overrightarrow{u_{\alpha}},\overrightarrow{u_{z}} :
    {mRα˙2=Nr+2mωRα˙+mω2R(1+cosα)mRα¨=mω2Rsinα0=Nzmg.\displaystyle \begin{cases} -mR\dot{\alpha}^{2}=N_{r}+2m\omega R\dot{\alpha}+m\omega^{2}R\left(1+\cos\alpha\right)\\ mR\ddot{\alpha}=-m\omega^{2}R\sin\alpha\\ 0=N_{z}-mg. \end{cases}
    D’où l’équation vérifiée par α\displaystyle \alpha :

α¨=ω2sinα.\ddot{\alpha}=-\omega^{2}\sin\alpha.

  1. α¨=0α=0\displaystyle \ddot{\alpha}=0\Rightarrow\alpha=0 ou π.\displaystyle \pi.
    Pour α1\displaystyle \alpha\ll1, α¨+ω2α=0,\ddot{\alpha}+\omega^{2}\alpha=0,on obtient des oscillations autour de 0\displaystyle 0, la position α=0\displaystyle \alpha=0 est stable.
    Pour α=π+ε\displaystyle \alpha=\pi+\varepsilon, avec ε1\displaystyle \varepsilon\ll1, ε¨ω2ε=0,\ddot{\varepsilon}-\omega^{2}\varepsilon=0, la position α=π\displaystyle \alpha=\pi est instable.

  2. La réaction et la force de Coriolis ne travaillent pas. Le poids non plus puisque le mouvement est horizontal. La force d’inertie d’entraînement dérive de l’énergie potentielle
    Ep=12mω2r2=12mω2R2[(1+cosα)2+sin2α]=mω2R2[1+cosα].\displaystyle \begin{aligned}E_{p}&=\frac{1}{2}m\omega^{2}r^{2}\\&=\frac{1}{2}m\omega^{2}R^{2}\left[\left(1+\cos\alpha\right)^{2}+\sin^{2}\alpha\right]\\&=m\omega^{2}R^{2}\left[1+\cos\alpha\right].\end{aligned}
    Ep=mω2R2sinα\displaystyle E'_{p}=-m\omega^{2}R^{2}\sin\alpha s’annule pour 0\displaystyle 0 et π\displaystyle \pi qui sont les positions d’équilibre.
    Ep=mω2R2cosα\displaystyle E''_{p}=m\omega^{2}R^{2}\cos\alpha est positive pour la position d’équilibre stable, soit α=0\displaystyle \alpha=0, et négative pour la position instable α=π\displaystyle \alpha=\pi.

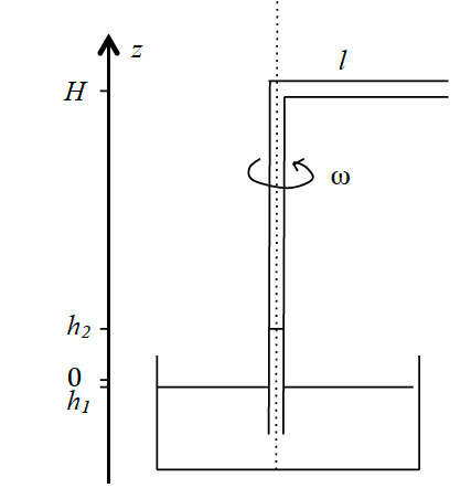
Exercice 79 ⭐️⭐️⭐️ Tube coudé en rotation, PC

Un tube coudé de section s=2\displaystyle s=2 cm2\displaystyle ^{2} est plongé dans un récipient d’eau de surface libre S=100\displaystyle S=100 cm2\displaystyle ^{2}. Initialement, l’altitude des deux surfaces libres est égale à 0\displaystyle 0. L’eau dans le récipient est de masse volumique constante μ0\displaystyle \mu_{0}. L’air est assimilé à un gaz parfait de masse volumique ρ\displaystyle \rho. Hors du tube, l’air est à la pression P0\displaystyle \mathbb{}P_{0} et à la température T0=290\displaystyle \mathbb{}T_{0} = 290 K.

Le tube coudé, dont le coude est à l’altitude H=1,0\displaystyle H=1,0 m et dont le bras horizontal a une longueur l=50\displaystyle l=50 cm, est mis en rotation à la vitesse angulaire ω=25\displaystyle \omega=25 rads/s autour de l’axe vertical. Une dénivellation entre le niveau de l’eau dans le tube (altitude h2\displaystyle h_{2}), et la surface libre de l’eau dans le récipient (altitude h1\displaystyle h_{1}) apparaît. On néglige tout phénomène de capillarité et de viscosité.

  1. La masse volumique de l’air peut être considérée constante.
    Déterminer les altitudes des surfaces libres de l’eau.

  2. Même question qu’en 1. en supposant que l’évolution de l’air dans le milieu est isentropique. Le résultat est-il numériquement différent ?

Fluide en équilibre dans un référentiel 👉 Loi de la statique des fluides dans ce référentiel, en tenant compte de la force d’inertie d’entraînement.

  1. Exprimons l’équilibre de l’air dans le référentiel tournant à la vitesse angulaire ω\displaystyle \omega autour de l’axe vertical.
  • L’air de la partie horizontale est en équilibre sous l’action de la force centrifuge, la résultante des forces de pression, le poids et la réaction du tube.
    En projetant la relation de la statique des fluides sur l’axe tournant exprimée à la distance r\displaystyle r de l’axe,
    dPdr=ρω2r\displaystyle \frac{dP}{dr}=\rho\omega^{2}r
    P(r,z=H)=P012ρω2(l2r2).\displaystyle \Rightarrow P(r,z=H)=P_{0}-\frac{1}{2}\rho\omega^{2}\left(l^{2}-r^{2}\right).

On en déduit que P(r=0,z=H)=P012ρω2l2.P(r=0,z=H)=P_{0}-\frac{1}{2}\rho\omega^{2}l^{2}.

A.N. P(r=0,z=H)P0=12ρω2l2=101\displaystyle P(r=0,z=H)-P_{0}=-\frac{1}{2}\rho\omega^{2}l^{2}=-101 Pa.

  • Pour la partie verticale du tube,
    P(r=0,z=h2)=P(r=0,z=H)+ρg(Hh2)=P012ρω2l2+ρg(Hh2)\displaystyle \begin{aligned}P(r=0,z=h_{2})&=P(r=0,z=H)+\rho g(H-h_{2})\\&=P_{0}-\frac{1}{2}\rho\omega^{2}l^{2}+\rho g(H-h_{2})\end{aligned}.

La loi de l’hydrostatique appliquée à l’eau donne
P(z=h1)=P0\displaystyle P(z=h_{1})=P_{0} et
P(z=h2)=P0μ0g(h2h1)\displaystyle P(z=h_{2})=P_{0}-\mu_{0}g\left(h_{2}-h_{1}\right).
P(r=0,z=h2)=P012ρω2l2+ρg(Hh2)=P0μ0g(h2h1)\displaystyle \begin{aligned}P(r=0,z=h_{2})&=P_{0}-\frac{1}{2}\rho\omega^{2}l^{2}+\rho g(H-h_{2})\\&=P_{0}-\mu_{0}g\left(h_{2}-h_{1}\right)\end{aligned}.

Par conservation du volume d’eau : Sh1+sh2=0\displaystyle Sh_{1}+sh_{2}=0.

Donc 12ρω2l2+ρg(Hh2)=μ0gh2(1+sS)\displaystyle -\frac{1}{2}\rho\omega^{2}l^{2}+\rho g(H-h_{2})=-\mu_{0}gh_{2}\left(1+\frac{s}{S}\right), soit

12ρω2l2ρgH=h2g[μ0(1+sS)ρ]\displaystyle \frac{1}{2}\rho\omega^{2}l^{2}-\rho gH=h_{2}g\left[\mu_{0}\left(1+\frac{s}{S}\right)-\rho\right]. Compte tenu de μ0ρ\displaystyle \mu_{0}\gg\rho, h2==12ρω2l2ρgHgμ0(1+sS),h_{2}==\frac{\frac{1}{2}\rho\omega^{2}l^{2}-\rho gH}{g\mu_{0}\left(1+\frac{s}{S}\right)},

et h1=sSh2\displaystyle h_{1}=-\frac{s}{S}h_{2}.

A.N. h2=9\displaystyle h_{2}=9 mm et h1=\displaystyle h_{1}=-0,2 mm.

2.b1. Dans la partie horizontale dPdr=ρω2r\displaystyle \frac{dP}{dr}=\rho\omega^{2}r avec ρ=PMRT\displaystyle \rho=\frac{PM}{RT}. Pour une évolution isentropique d’un gaz parfait : T=T0(P0P)1γγ\displaystyle T=T_{0}\left(\frac{P_{0}}{P}\right)^{\frac{1-\gamma}{\gamma}}, soit ρ=PMRT=P1/γMRT0P01γγ\displaystyle \rho=\frac{PM}{RT}=\frac{P^{1/\gamma}M}{RT_{0}P_{0}^{\frac{1-\gamma}{\gamma}}} et

dPP1/γ=MRT0P01γγω2rdr\displaystyle \frac{dP}{P^{1/\gamma}}=\frac{M}{RT_{0}P_{0}^{\frac{1-\gamma}{\gamma}}}\omega^{2}rdr. En intégrant γγ1(Pγ1γP0γ1γ)=12MP0γ1γRT0ω2(l2r2)\displaystyle \frac{\gamma}{\gamma-1}\left(P^{\frac{\gamma-1}{\gamma}}-P_{0}^{\frac{\gamma-1}{\gamma}}\right)=-\frac{1}{2}\frac{MP_{0}^{\frac{\gamma-1}{\gamma}}}{RT_{0}}\omega^{2}\left(l^{2}-r^{2}\right).

Pour r=0\displaystyle r=0, P(r=0,z=H)=P0(1γ12γMRT0ω2l2)γγ1\displaystyle P(r=0,z=H)=P_{0}\left(1-\frac{\gamma-1}{2\gamma}\frac{M}{RT_{0}}\omega^{2}l^{2}\right)^{\frac{\gamma}{\gamma-1}} homogène.
Un traitement équivalent peut être fait dans la partie verticale.
Cela donne la même valeur numérique qu’en 1.

Exercice 105 ⭐️⭐️⭐️ Equilibre sur une tige, X MP 2019, MP/PC/L2

Une tige rigide, de profil vertical z=f(X)\displaystyle z=f(X), est en rotation autour de l’axe Oz\displaystyle Oz vertical ascendant à la vitesse ω\displaystyle \omega fixée. Une petite masse m\displaystyle m peut y coulisser sans frottements.

  1. Quelle condition doit vérifier f\displaystyle f pour qu’il existe une position X\displaystyle X de la masse telle qu’elle y soit en mouvement circulaire uniforme d’axe Oz\displaystyle Oz ?

  2. Cette position est-elle stable ou instable ?

Stabilité d’une position d’équilibre 👉 Si on peut définir une énergie potentielle, une position d’équilibre stable correspond à un minimum de l’énergie potentielle. Sinon, il faut regarder ce qui se passe quand on écarte légèrement le système de sa position d’équilibre.

Le référentiel terrestre est supposé galiléen.

Dans le référentiel tournant avec le fil R\displaystyle \mathcal{R}', de base fixe (uX,uY,uz)\displaystyle \left(\overrightarrow{u_{X}},\overrightarrow{u_{Y}},\overrightarrow{u_{z}}\right), la masse en équilibre est soumise à l’action

  • de son poids mg=mguz\displaystyle m\overrightarrow{g}=-mg\overrightarrow{u_{z}}.

  • de la réaction du fil R=RXeX+RYeY+Rzez\displaystyle \overrightarrow{R}=R_{X}\overrightarrow{e_{X}}+R_{Y}\overrightarrow{e_{Y}}+R_{z}\overrightarrow{e_{z}}

  • de la force d’inertie d’entraînement fie=mω2XeX\displaystyle \overrightarrow{f_{ie}}=m\omega^{2}X\overrightarrow{e_{X}}.

Méthode 1
La réaction, normale au déplacement dans R\displaystyle \mathcal{R}', ne travaille pas. L’énergie potentielle est la somme de l’énergie potentielle centrifuge et de l’énergie potentielle de pesanteur.
Ep=12mω2X2+mgz=12mω2X2+mgf(X)\displaystyle \begin{aligned}E_{p}&=-\frac{1}{2}m\omega^{2}X^{2}+mgz\\&=-\frac{1}{2}m\omega^{2}X^{2}+mgf(X)\end{aligned}
à une constante près. D’où
Ep=mω2X+mgf(X).\displaystyle E'_{p}=-m\omega^{2}X+mgf'(X).
Pour qu’un équilibre soit possible, il faut donc qu’il existe X=X0\displaystyle X=X_{0} tel que f(X0)=ω2gX0.f'(X_{0})=\frac{\omega^{2}}{g}X_{0}.
Méthode 2
Soit α,(π/2<α<π/2)\displaystyle \alpha, (-\pi/2<\alpha<\pi/2), l’angle que fait la tangente au fil au point M\displaystyle M avec l’axe horizontal (OX)\displaystyle \left(OX\right). Alors tanα=dzdX=f(X)\displaystyle \tan\alpha=\frac{dz}{dX}=f'(X).

La réaction est normale au fil, d’où
R=NsinαeX+RYeY+Ncosαez\displaystyle \overrightarrow{R}=-N\sin\alpha\overrightarrow{e_{X}}+R_{Y}\overrightarrow{e_{Y}}+N\cos\alpha\overrightarrow{e_{z}}, où N est la norme de la composante de la réaction dans le plan (XOz)\displaystyle \left(XOz\right).

Le point M\displaystyle M correspond à une position d’équilibre dans R\displaystyle \mathcal{R}' pour

{Nsinα+mω2X=0Ry=0Ncosαmg=0.\displaystyle \begin{cases} -N\sin\alpha+m\omega^{2}X=0\\ R_{y}=0\\ N\cos\alpha-mg=0. \end{cases}

D’où ω2X=gtanα=gf(X),\displaystyle \omega^{2}X=g\tan\alpha=gf'(X), on retrouve le résultat précédent.

Plus X0\displaystyle X_{0} et ω\displaystyle \omega sont grands, plus la force d’inertie est grande, et donc plus la réaction horizontale doit être importante pour la compenser. Or la réaction verticale compense le poids, et, à réaction verticale donnée, la réaction horizontale est plus grande lorsque la tige est plus inclinée (α\displaystyle \alpha proche de π/2\displaystyle \pi/2). Il est donc cohérent que la position d’équilibre corresponde à une inclinaison de la tige d’autant plus grande que X0\displaystyle X_{0} et ω\displaystyle \omega sont grands.
La masse n’intervient pas ici car elle apparaît à la fois dans le poids et la force d’inertie.

  1. S’il y a mouvement dans R\displaystyle \mathcal{R}', il faut tenir compte de la force d’inertie de Coriolis. Mais la force de Coriolis ne travaille jamais. On peut continuer à utiliser l’énergie potentielle précédente, et évaluer sa dérivée seconde par rapport à X\displaystyle X.
    Ep=mω2+mgf(X)\displaystyle E''_{p}=-m\omega^{2}+mgf''(X).
    Ainsi, un équilibre stable peut être obtenu s’il existe X0\displaystyle X_{0} tel que {f(X0)=ω2gX0f"(X0)>ω2g.\begin{cases} f'(X_{0})=\frac{\omega^{2}}{g}X_{0}\\ f"\left(X_{0}\right)>\frac{\omega^{2}}{g}. \end{cases}
    La dérivée seconde est alors plus grande que celle de la parabole du schéma.
    En revanche, si
    {f(X0)=ω2gX0f"(X0)<ω2g,\begin{cases} f'(X_{0})=\frac{\omega^{2}}{g}X_{0}\\ f"\left(X_{0}\right)<\frac{\omega^{2}}{g}, \end{cases}
    l’équilibre est instable.
    Quand il y a égalité f"(X0)=ω2g\displaystyle f"\left(X_{0}\right)=\frac{\omega^{2}}{g}, la stabilité ou non dépend du signe de f(X0)\displaystyle f'''\left(X_{0}\right).

Finalement, la courbure du fil au point d’équilibre doit être suffisamment petite pour que l’équilibre soit stable, et que la réaction tende à ramener le point vers sa position d’équilibre lorsqu’on l’en écarte légèrement.

Remarque — On peut envisager de revenir aux équations du mouvement, avec
z=f(X)z˙=X˙f(X)z¨=X¨f(X)+X˙2f"(X).\displaystyle \begin{aligned}z=f(X)&\Rightarrow\dot{z}=\dot{X}f'\left(X\right)\\&\Rightarrow\ddot{z}=\ddot{X}f'(X)+\dot{X}^{2}f"(X).\end{aligned}
mais c’est beaucoup plus laborieux.
Remarquons que la force de Coriolis permet de déterminer la réaction RY\displaystyle R_Y.
fic=2mωvR=2mωezv[cosαeX+sinαez]=2mωcosαeY.\displaystyle \begin{aligned}\overrightarrow{f}_{ic}&=-2m\overrightarrow{\omega}\wedge\overrightarrow{v_{\mathcal{R}'}}\\&=-2m\omega\overrightarrow{e_{z}}\wedge v\left[\cos\alpha\overrightarrow{e_{X}}+\sin\alpha\overrightarrow{e_{z}}\right]\\&=-2m\omega\cos\alpha\overrightarrow{e_{Y}}.\end{aligned}
Les équations du mouvement sont alors
{mX¨=mω2XNsinα0=Ry2mωcosαmz¨=mg+Ncosα.\displaystyle \begin{cases} m\ddot{X}=m\omega^{2}X-N\sin\alpha\\ 0=R_{y}-2m\omega\cos\alpha\\ m\ddot{z}=-mg+{N}\cos\alpha.\end{cases}

Exercice 125 ⭐️⭐️⭐️ Position d’équilibre d’un système, X MP 2021, Spé hors PSI/L2

Un système en rotation à la vitesse angulaire Ω\displaystyle \Omega autour d’un axe vertical (Oz)\displaystyle \left(Oz\right) est composé de trois masses mobiles situées en A,B\displaystyle A,B, et C\displaystyle C de masses respectives m\displaystyle m, m\displaystyle m, et M\displaystyle M, liées entre elles et au point fixe O\displaystyle O par des tiges rigides de masse négligeable, de longueur identique L\displaystyle L. Le point C\displaystyle C est astreint à coulisser sans frottement sur l’axe (Oz)\displaystyle \left(Oz\right). L’ensemble des masses et des tiges reste dans un plan, et les liaisons mécaniques du système sont des liaisons rotule sans frottement. Déterminer les positions θe\displaystyle \theta_e d’équilibre du système.

Problème à un degré de liberté θ\displaystyle \theta 👉 Possibilité de se limiter à une approche énergétique (ou au théorème du moment cinétique scalaire, moins commode ici).

Attention ici Ωθ˙\displaystyle \Omega\neq\dot{\theta}.

Il s’agit d’un équilibre dans le référentiel tournant à la vitesse angulaire Ω\displaystyle \Omega autour de (Oz)\displaystyle \left(Oz\right), ce qui correspond dans le référentiel terrestre galiléen à une trajectoire circulaire uniforme de A\displaystyle A et B\displaystyle B à la vitesse angulaire Ω\displaystyle \Omega autour de l’axe (Oz)\displaystyle \left(Oz\right), de rayon Lsinθ\displaystyle L\sin\theta.

Qualitativement, quand la vitesse angulaire augmente, on s’attend à une augmentation de θ\displaystyle \theta jusqu’à la valeur limite π/2\displaystyle \pi/2.

Étudions l’équilibre du système dans le référentiel tournant non galiléen.
A\displaystyle A et B\displaystyle B sont soumis à

  • leur poids

  • les actions de liaison

  • la force d’inertie d’entraînement centrifuge
    fie=mΩ2rur=mΩ2Lsinθur\displaystyle \overrightarrow{f_{ie}}=m\Omega^{2}r\overrightarrow{u_{r}}=m\Omega^{2}L\sin\theta\overrightarrow{u_{r}}, avec ur\displaystyle \overrightarrow{u_{r}} le vecteur unitaire radial (vecteurs opposés pour A\displaystyle A et B\displaystyle B) .

Les actions de contact sans frottement ont une puissance nulle. Le poids dérive de l’énergie potentielle Ep1=mgLcosθ\displaystyle E_{p1}=-mgL\cos\theta, et la force d’inertie dérive de Ep2=12mΩ2r2=12mΩ2L2sin2θ\displaystyle E_{p2}=-\frac{1}{2}m\Omega^{2}r^{2}=-\frac{1}{2}m\Omega^{2}L^{2}\sin^{2}\theta, à une constante près.

Le point C\displaystyle C est soumis à son poids qui dérive de l’énergie potentielle Ep3=Mg2Lcosθ\displaystyle E_{p3}=-Mg2L\cos\theta, et aux actions de liaison de puissance nulle.

L’énergie potentielle totale du système est
Ep=2(Ep1+Ep2)+Ep3=mΩ2L2sin2θ(2m+M)gLcosθ).E_{p}=2\left(E_{p1}+E_{p2}\right)+E_{p3}=-m\Omega^{2}L^{2}\sin^{2}\theta-\left(2m+M)gL\cos\theta\right).

Les positions d’équilibre correspondent à des extrema de Ep\displaystyle E_{p}.

Ep=2mΩ2L2sinθcosθ+(2m+M)gLsinθ\displaystyle E'_{p}=-2m\Omega^{2}L^{2}\sin\theta\cos\theta+(2m+M)gL\sin\theta.

Ep=0sinθ=0\displaystyle E'_{p}=0\Longleftrightarrow\sin\theta=0 ou cosθ=2m+M2mgLΩ2\displaystyle \cos\theta=\frac{2m+M}{2m}\frac{g}{L\Omega^{2}}.

-Pour Ω<2m+M2mgL\displaystyle \Omega<\sqrt{\frac{2m+M}{2m}\frac{g}{L}}, il y a une seule position d’équilibre θe,1=0\displaystyle \theta_{e,1}=0. On vérifie avec
E"p=2mΩ2L2cos(2θ)+(2m+M)gLcos(θ)\displaystyle E"_{p}=-2m\Omega^{2}L^{2}\cos\left(2\theta\right)+\left(2m+M\right)gL\cos\left(\theta\right), que E"p(θ=0)>0\displaystyle E"_{p}\left(\theta=0\right)>0 dans ce cas ; c’est une position d’équilibre stable.

-Pour Ω>2m+M2mgL\displaystyle \Omega>\sqrt{\frac{2m+M}{2m}\frac{g}{L}}, il y a deux positions d’équilibre

  • θe,1=0\displaystyle \theta_{e,1}=0. On vérifie que E"p(θ=0)<0\displaystyle E"_{p}\left(\theta=0\right)<0 ; c’est une position d’équilibre instable.

  • θe,2=arccos(2m+M2mgLΩ2)\displaystyle \theta_{e,2}=\arccos\left(\frac{2m+M}{2m}\frac{g}{L\Omega^{2}}\right), qui est nécessairement un minimum d’énergie potentielle puisque θ1=0\displaystyle \theta_{1}=0 est un maximum. On vérifie
    E"p=2mΩ2L2[2cos2θe,21]+(2m+M)gLcos(θe,2)=2mΩ2L2[12(2m+M2mgLΩ2)2]+g2(2m+M)22mΩ2=2mΩ2L2g2(2m+M)22mΩ2\displaystyle \begin{aligned}E"_{p}&=-2m\Omega^{2}L^{2}\left[2\cos^{2}\theta_{e,2}-1\right]+\left(2m+M\right)gL\cos\left(\theta_{e,2}\right)\\&=2m\Omega^{2}L^{2}\left[1-2\left(\frac{2m+M}{2m}\frac{g}{L\Omega^{2}}\right)^{2}\right]+g^2\frac{(2m+M)^2}{2m\Omega^{2}}\\&=2m\Omega^{2}L^{2}-g^{2}\frac{\left(2m+M\right)^{2}}{2m\Omega^{2}}\end{aligned}
    qui est bien positif. θ2\displaystyle \theta_{2} est une position d’équilibre stable.

-Pour Ω=2m+M2mgL\displaystyle \Omega=\sqrt{\frac{2m+M}{2m}\frac{g}{L}}, θe,1=θe,2=0\displaystyle \theta_{e,1}=\theta_{e,2}=0, E"p(0)=0,Ep(3)(0)=0\displaystyle E"_{p}\left(0\right)=0,E_{p}^{(3)}\left(0\right)=0, Ep(4)(0)>0\displaystyle E_{p}^{(4)}(0)>0, il s’agit bien d’un minimum d’énergie potentielle, l’équilibre est stable.